前言:

JSOUL眷蜀是广东眷蜀科技有限公司旗下的音频设备品牌,主要产品包括各种类型的蓝牙耳机、便携式音箱及周边配件等,以高性价比和创新设计为特点。JSOUL Mate Sport Pro开放式耳机是一款兼具舒适稳固佩戴,以及主动降噪和AI功能的产品,能够满足用户日常使用和运动佩戴各种场景需求。

详细功能配置方面,JSOUL Mate Sport Pro搭载开放式ANC主动降噪技术,可提供最高-22dB的降噪效果;支持4麦环境通话降噪,搭配独立麦克风腔体抗风噪设计,提供清晰通话效果。搭载14.2mm复合振膜动圈单元,支持LDAC高清音频解码,获得了Hi-Res AUDIO WIRELESS金标认证;支持全新一代定向传音技术,降低漏音,保护隐私。

JSOUL Mate Sport Pro搭配手机端APP,支持丰富的AI功能,包括AI面对面翻译、AI同传听译、AI会议录制和AI纪要管理等,基于科大讯分技术,提供出色用户体验。其他方面,该产品搭载双色呼吸灯,让夜间户外运动更安全;支持IPX5级防水,无惧汗水雨水;单次续航时间9小时,综合续航36小时,充电10分钟可畅听2.5小时。下面就来看看这款产品的详细拆解报告吧~

一、JSOUL眷蜀Mate Sport Pro开放式降噪耳机开箱

JSOUL眷蜀Mate Sport Pro开放式降噪耳机包装盒采用了磁吸固定的折叠盒盖设计,正面展示有品牌LOGO和产品名称,耳机外观,以及开放式主动降噪、AI功能、LDAC和Hi-Res产品功能特点。

包装盒背面介绍了产品的详细功能特点和参数信息,包括A科大讯飞人工智能、舒透开放聆昕体验、ANC主动降噪技术、4-MiC ENC降噪技术、定向传音技术、听力保护技术、物理技犍+智能触控、支持多点连接、36H持久续航和蓝牙5.4认证;产品名称:AI智能开放式降噪蓝牙耳机,产品型号:JS07,产品颜色:科技白,输入参数:5V-1A,电池容量:耳机60mAh/充电仓500mAh;制造商:广东眷蜀科技有限公司。

包装盒侧边介绍了“JSOUL”APP下载方式和功能。

另外一侧设计有品牌Slogan“有情人终成眷属”。

打开包装盒,取出内部所有物品,包括了主机、充电线、定制双尺寸耳帽和产品使用指南。

随机标配的可替换硅胶耳帽,主机上还预装有两副,包括常规潜入式耳帽和独特的悬浮耳帽两种类型,以及S/M两种尺寸。

独特的悬浮耳帽特写,能够提供相对更优的密闭性,从而降低泄露,提升主动降噪效果。

随机标配的充电线,采用了USB-C to USB-C接口,编制线缆,更加持久耐用。

JSOUL Mate Sport Pro充电盒采用了扁平的圆角方形设计,体积轻薄,便于携带;仿编织纹理,耐磨耐划,不沾染指纹。盒盖顶部设计有品牌LOGO装饰。

充电盒底部外观一览。

充电盒正面外观一览,腰线上设计有倒角便于开启,机身上一颗指示灯用于反馈蓝牙配对及充电状态。

充电盒背面设置有Type-C充电接口和蓝牙配对功能按键。

充电盒侧边设计有编织挂绳,进一步提升便携性。

打开充电盒盖,座舱内部耳机磁吸固定,盒盖内侧还固定一副耳塞。

盒盖内侧标注有产品信息,与外部包装盒上一致。

取出耳机和耳塞,座舱内部结构一览,设置有为耳机充电的金属顶针和L/R左右标识。

JSOUL眷蜀Mate Sport Pro开放式降噪耳机整体外观一览,耳机采用了挂耳式设计,佩戴贴耳,舒适稳固。

JSOUL Mate Sport Pro耳机外观一览,耳挂内嵌0.8mm金属钛丝,外部硅胶材质包裹,高弹柔软不易变形;体积纤细,与眼镜能够很好的兼容。

耳机音腔采用了哑光质感,背部设计有独特的品牌LOGO装饰片,经由6道工序精细打磨,在灯光下呈现闪耀CD光芒,有效提升了产品细节感。

装饰片边缘设计有“月牙形”红白呼吸灯,即用于反馈工作状态,也能提升夜间使用的用户安全性。

音腔背部的麦克风拾音孔特写,金属盖板防护。

音腔顶部的功能按键特写,通过单击、双击、三击、长按实现多功能控制。物理按键,远动盲操作更精准快捷。

音腔底部的调音孔特写,内部丝网防护。

耳挂末端的通话麦克风拾音孔特写,独立墙体设计,提升抗风噪性能。

音腔内侧采用烤漆质感,光滑亲肤。出音孔设计有潜入式耳帽,佩戴更深入耳道,但不堵塞耳道,从而带来更优的开放式聆听体验。

取掉耳塞,耳机出音管特写,设计有定位柱,便于正确安装耳帽。

安装悬浮耳帽外观状态一览。

连接充电盒充电的金属触点特写。

耳挂末端设置电池仓,同时起到了平衡重量的作用,使佩戴更加稳定。

经我爱音频网实测,JSOUL眷蜀Mate Sport Pro开放式降噪耳机整机重量约为72.4g。

单只耳机重量仅为8.8g。

我爱音频网采用CHARGERLAB POWER-Z KM003C对JSOUL眷蜀Mate Sport Pro开放式降噪耳机进行充电测试,输入功率约为1.80W。

二、JSOUL眷蜀Mate Sport Pro开放式降噪耳机拆解

通过开箱,我们详细了解了JSOUL眷蜀Mate Sport Pro开放式降噪耳机的独特精致外观设计,下面进入拆解,看看内部结构配置~

充电盒拆解

拆开充电盒外壳,取出座舱结构。

座舱底部结构一览,设置有主板、电池和指示灯排线。

卸掉螺丝,取掉座舱上的所有组件。

座舱底部结构一览,设置有6颗磁铁吸附固定耳机和充电盒盖。

挑开连接器,取掉指示灯排线。

断开导线,分离主板和电池。

充电盒主板一侧电路一览。

充电盒主板另外一侧电路一览。

用于蓝牙配对的功能按键特写。

Type-C充电母座特写。

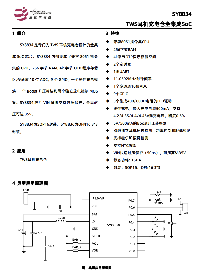
思远半导体SY8834 TWS耳机充电仓全集成SoC,内部集成了兼容8051指令集的CPU,256字节RAM,4k字节OTP程序存储区,多通道10位ADC,9个GPIO,一个线性充电模块,一个Boost升压模块和两个独立放电控制MOS管。SY8834芯片VIN管脚支持过压保护,最高耐压可达35V。

思远半导体SY8834具有500mA最大充电电流,支持4.2/4.35/4.4/4.45V浮充电压,精度0.5%;SY8834具有5V/500mA的Boost升压转换器;SY8834支持双路独立耳机插拔检测、功率控制和轻载检测,支持霍尔和按键检测,支持NTC功能,静态功耗15uA。

思远半导体SY8834详细资料图。据我爱音频网拆解了解到,思远半导体的电源管理类芯片目前已被OPPO小米REDMI韶音神牛优篮子西圣三星、一加、字节跳动、JBL、小天才、倍思、韶音、猛玛、Cleer、Nothing、捷波朗、斯莫格、NuPhy、高驰、翡声、枫笛、海尔兄弟、泥炭、左点、TGiQOO、漫步者、联想、传音、科大讯飞、用维、公牛、Fiio、翡声、MEES、YOBYBO、HAYLOU、DENON、Oladance、XTOUR、final、酷睿视、SkullcandyvivoQCY声阔绿联realme、魅族、百度、网易、哈曼、万魔、233621、魔宴、创新科技等国内外知名品牌采用。

为耳机充电的Pogo Pin连接器特写,主板上设置有两组,对应两个耳机。

连接指示灯排线的ZIF连接器,来自亚奇科技(OCN),型号:OK-F501-06325。

Singusemi芯歌SP32107TF过压过流保护IC,输入过压保护响应时间小于100ns,过流保护可编程。

Singusemi芯歌SP32107TF过压过流保护IC详细资料图。

充电盒内置可充电聚合物锂电池组,型号:503030,标称电压:3.7V,额定容量:500mAh,额定能量:1.85Wh,充电限制电压:4.2V,生产厂:广东弘捷新能源有限公司。

撕开外部标签,电芯上丝印信息一览。

撕开电池外部绝缘保护,电池保护板一侧电路一览。

电池保护板另外一侧电路一览。

丝印8205A的MOS管。

丝印G3JP的锂电保护IC,负责电池的过充电、过放电、过电流等保护。

充电盒内部排线一侧电路一览。

充电盒内部排线另外一侧电路一览。

丝印LSZN的霍尔元件,用于感知充电盒开关盖时磁场的变化,进而通知充电盒MCU和耳机与已连接设备配对或断开连接。

两颗不同颜色的LED指示灯特写,用于反馈蓝牙配对及充电状态。

耳机拆解

拆解耳机部分。打开耳挂末端的电池仓。

断开导线,取出电池。

耳机内置可充电锂离子电池,型号:PATL 08120,充电限制电压:4.2V,额定容量:50mAh 0.222Wh,标称电压:3.7V,来自PATL小锂新能源。

沿合模线打开音腔,腔体内部设置有盖板与主板隔离。

取出前腔内部的扬声器。

耳机扬声器正面特写,采用了羊毛纸+PU双材质振膜,更轻盈,动态响应更好。

扬声器背面特写,四周设置调音孔。

扬声器与一元硬币大小对比。

经我爱音频网实测,扬声器直径约为14.26mm。

拆掉腔体内部盖板。

后腔内部的主板单元结构一览,与排线通过BTB连接器连接。

挑开连接器,取出主板。

后腔底部贴有蓝牙天线,通过触点连接主板。

耳机主板一侧电路一览。

耳机主板另外一侧电路一览。

连接充电盒充电的连接器特写。

镭雕R55C的MEMS麦克风特写,用于降噪功能拾取外界环境噪音,来自瑞勤电子。

JL杰理科技JL7016G蓝牙音频SoC,用于无线连接和音频数据处理。

丝印HU425K的IC。

用于多功能控制的物理按键特写。

连接麦克风排线的BTB连接器母座特写,来自亚奇科技(OCN),型号:OK-128GF006/2-35。

红白两色LED呼吸灯特写。

24.000MHZ的晶振特写,用于提供时钟。

连接蓝牙天线的金属弹片特写。

两颗Sunlord顺络电子SDCL0603Q系列叠层陶瓷电感。该系列产品通过精心设计的线圈及电极,实现了高Q值和高自谐振频率(SRF),采用叠层干法工艺制作,能够提供高精度和高一致性的产品,满足精密电子组件的严苛要求。

Sunlord顺络电子SDCL0603Q-T02B03系列详细资料图。据我爱音频网拆解了解到,包括HUAWEIOPPO跃我大疆科大讯飞小米Redmi漫步者联想iKFMarshallJLabNothing倍思摩托罗拉字节跳动美碳等众多品牌旗下产品采用了顺络电子的电感器。

WINSEMI稳先微WSDF23A2N2H全集成锂电保护IC,具有过充、过放、过流、短路等电池需要的所有保护功能。

拆掉耳挂末端的金属尾塞,腔体内部设置有通话麦克风单元。

取出通话麦克风。

通话麦克风排线电路一览。

通话麦克风排线连接主板的BTB连接器公座特写,来自亚奇科技(OCN),型号:OK-128GM006/2-35。

第二颗瑞勤电子镭雕R55C的MEMS麦克风特写,两颗麦克风协同拾音,搭配降噪算法,提供清晰通话效果。

JSOUL眷蜀Mate Sport Pro开放式降噪耳机拆解全家福。

三、我爱音频网总结

最后附上JSOUL眷蜀Mate Sport Pro开放式降噪耳机的物料清单,方便大家查阅。

JSOUL眷蜀Mate Sport Pro开放式降噪耳机在外观设计方面,具有着非常出色的设计。充电盒采用扁平造型,轻薄便携;仿编织纹理,耐磨耐划,不沾染指纹。耳机的耳挂采用0.8mm金属钛丝,外部硅胶材质包裹,佩戴舒适贴耳,稳定不易变形;背部品牌LOGO装饰片,做工精致,有效提升产品质感。

内部主要配置方面,充电盒搭载HJ弘捷3.7V/500mAh锂电池组。主板上采用了思远半导体SY8834 TWS耳机充电仓全集成SoC,集成CPU、线性充电模块、Boost升压模块等丰富的功能,负责内置电池的充放电管理和整机控制;其他还采用了Singusemi芯歌SP32107TF过压过流保护IC和霍尔元件等。

耳机内部搭载了PATL小锂新能源3.7V/50mAh锂电池,配备WINSEMI稳先微WSDF23A2N2H全集成锂电保护IC。耳机采用14.2mm羊毛纸+PU复合振膜动圈喇叭,内置两颗瑞勤电子的MEMS麦克风,主控芯片为JL杰理科技JL7016G蓝牙音频SoC,其他还采用了Sunlord顺络电子SDCL0603Q系列叠层陶瓷电感等方案。